功率型NTC熱敏電阻 浪涌電流如何產生
發布時間:2017/3/27 訪問人數:1029次
公司生產功率型
NTC熱敏電阻涵蓋所有浪涌抑制所需規格,規格全!
尺寸涵蓋3 - 50D :
1.常規功率型MF72:3-25D(芯片直徑約3-25mm)
2.大功率型MF73T-1:15-35D(芯片直徑約15-35mm)
3.超大功率型MF73,MF74 :30-50D(芯片直徑約30-50mm)
穩態電流值: 0.2 - 40A,工作溫度 -55 - 200℃;

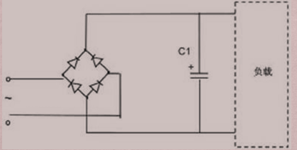
下圖是典型的電子產品電源部分(簡化電路可幫助您理解)。
C1是與負載并聯的濾波電容。在開機的瞬間,電容電壓不能突變,因此會產生極大的充電電流,其電流初始值相當于把濾波電容短路而得到的電流值。這個電流就是我們常說的輸入浪涌電流,它是在對濾波電容進行初始充電時產生的,其大小取決于開機時輸入電壓值、以及由橋式整流器和電解電容形成回路的總電阻。
假設輸入電壓為220Vac,整個電網內阻(含整流橋和濾波電容)Rs=1Ω,若正好在電源輸入波形達到90度相位的時候開機,那么開機瞬間浪涌電流的峰值將達到I=220×1.414/1=311(A)。浪涌電流雖然時間很短,但如果不加以抑制,會減短輸入電容和整流橋的壽命,甚至直接燒毀元器件。
時恒電子(http://www.shiheng.com.cn):熱敏電阻、NTC溫度傳感器